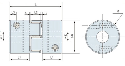
| Model | φd1φd2 Max. Bore Diameter | φD | L | L1 | L2 | S | L3 | M | Wrench Torque ( N.M ) |
| LK17-42 | 24 | 42 | 66 | 25 | 12 | 2.0 | 8.5 | M6 | 8 |
| LK17-56 | 32 | 56 | 78 | 30 | 14 | 2.0 | 10 | M6 | 8 |
| LK17-66 | 35 | 66 | 90 | 35 | 15 | 2.5 | 10.5 | M8 | 20 |
| LK17-82 | 45 | 82 | 114 | 45 | 18 | 3.0 | 15.5 | M8 | 20 |
| LK17-98 | 60 | 98 | 126 | 50 | 20 | 3.0 | 17 | M10 | 40 |
| LK17-108 | 60 | 108 | 140 | 54.5 | 24 | 3.5 | 23 | M10 | 40 |
| Model | Rated Torque ( N.m ) | Max.Torque ( N.m ) | Max.Rotational Frequency ( rpm ) | Moment of Inertia ( Kg.m2 ) | Static Torsional Stiffness ( N.m / rad ) | Errors of Eccentricity ( mm ) | Max. Angular ( °) | Max. Axial Misalignment ( mm ) | Mass ( g ) |
| LK17-42 | 32 | 64 | 13000 | 1.14X10-4 | 550 | 0.02 | 1.0 | +0.800 | 218 |
| LK17-56 | 46 | 92 | 10500 | 4.4X10-3 | 1510 | 0.02 | 1.0 | +0.800 | 338 |
| LK17-66 | 109 | 218 | 8300 | 9.0X10-3 | 2790 | 0.02 | 1.0 | +0.800 | 660 |
| LK17-82 | 135 | 270 | 7000 | 1.8X10-2 | 3550 | 0.02 | 1.0 | +1.00 | 1139 |
| LK17-98 | 260 | 520 | 6000 | 2.0X10-2 | 4700 | 0.02 | 1.0 | +1.00 | 1952 |
| LK17-108 | 430 | 860 | 5500 | 3.3X10-2 | 5800 | 0.02 | 1.0 | +1.00 | 3150 |
For more information, please click here.
COUP-LINK, Guangzhou LINK Automation Equipment Co.,Ltd.
Add.: 2606-2609 Room, B Building, Feng Xing Square, No.242 Tian He Road, Guangzhou City, Guangdong Province, China
Tel.: 0086-20-3839 5380
Fax.: 0086-20-3839 5480