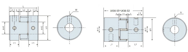
| Model | φd1φd2 Max. Bore Diameter(mm) | φD | L | L1 | L2 | S | L3 | M | Wrench Torque ( N.M ) |
| LK16-15 | 8 | 15 | 20 | 6 | 6 | 1.0 | 3 | M3 | 1.2 |
| LK16-26 | 12.7 | 26 | 26 | 8 | 8 | 1.0 | 4 | M5 | 5 |
| LK16-32 | 16 | 32 | 32 | 10 | 9 | 1.5 | 5 | M5 | 5 |
| LK16-42 | 24 | 42 | 50 | 17 | 12 | 2.0 | 8.5 | M6 | 8 |
| LK16-56 | 32 | 56 | 58 | 20 | 14 | 2.0 | 10 | M6 | 8 |
| LK16-66 | 35 | 66 | 62 | 21 | 15 | 2.5 | 10.5 | M8 | 8 |
| LK16-82 | 45 | 82 | 86 | 31 | 18 | 3.0 | 15.5 | M8 | 20 |
| LK16-98 | 60 | 98 | 94 | 34 | 20 | 3.0 | 17 | M10 | 20 |
| LK16-108 | 60 | 108 | 123 | 46 | 24 | 3.5 | 23 | M10 | 40 |
| Model | Rated Torque ( N.m ) | Max. Torque ( N.m ) | Max.Rotational Frequency ( rpm ) | Moment of Inertia ( Kg.m2 ) | Static Torsional Stiffness ( N.m / rad ) | Errors of Eccentricity ( mm ) | Max. Angular Misalignment ( °) | Max. Axial Misalignment ( mm ) | Mass ( g ) |
| LK16-15 | 1.1 | 2.2 | 19000 | 3.9×10-4 | 45 | 0.02 | 1.0 | +0.60 0 | 9.5 |
| LK16-26 | 6.0 | 12 | 16000 | 6.8×10-4 | 56 | 0.02 | 1.0 | +0.60 0 | 32.4 |
| LK16-32 | 6.5 | 13 | 15000 | 8.3×10-4 | 70 | 0.02 | 1.0 | +0.60 0 | 51 |
| LK16-42 | 32 | 64 | 13000 | 9.3×10-4 | 490 | 0.02 | 1.0 | +0.80 0 | 123 |
| LK16-56 | 46 | 92 | 10500 | 3.8×10-3 | 1470 | 0.02 | 1.0 | +0.80 0 | 305 |
| LK16-66 | 109 | 218 | 8300 | 8.0×10-3 | 2700 | 0.02 | 1.0 | +0.80 0 | 555 |
| LK16-82 | 135 | 270 | 7000 | 1.5×10-2 | 3100 | 0.02 | 1.0 | +1.00 0 | 1018 |
| LK16-98 | 260 | 520 | 6000 | 1.9×10-2 | 4400 | 0.02 | 1.0 | +1.00 0 | 1604 |
| LK16-108 | 430 | 860 | 5500 | 3.0×10-2 | 5700 | 0.02 | 1.0 | +1.00 0 | 2850 |
For more information, please click here.
COUP-LINK, Guangzhou LINK Automation Equipment Co.,Ltd.
Add.: 2606-2609 Room, B Building, Feng Xing Square, No.242 Tian He Road, Guangzhou City, Guangdong Province, China
Tel.: 0086-20-3839 5380
Fax.: 0086-20-3839 5480