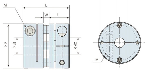
| Model | φd1φd2 Max. Bore Diameter | φD | L | W | L1 | M | Tightening Torque ( N.M ) |
| LK5-C12 | 5 | 12 | 12.35 | 0.55 | 5.9 | M1.6 | 0.14 |
| LK5-C15 | 5 | 15 | 16.45 | 1.25 | 7.6 | M2 | 0.4 |
| LK5-C16 | 6 | 16 | 17 | 1.25 | 7.875 | M2.0 | 0.4 |
| LK5-C19 | 8 | 19.5 | 20.7 | 2.3 | 9.2 | M2.5 | 0.8 |
| LK5-C26 | 10 | 26 | 25.5 | 2.8 | 11.35 | M3 | 1.2 |
| LK5-C30 | 14 | 30 | 25.8 | 3.1 | 11.35 | M3 | 1.2 |
| LK5-C34s | 14 | 34 | 30.4 | 3.6 | 13.4 | M4 | 2.5 |
| LK5-C34 | 14 | 34 | 32.6 | 3.6 | 14.5 | M4 | 2.5 |
| LK5-C39 | 16 | 39 | 34.5 | 4.5 | 15.0 | M4 | 2.5 |
| LK5-C44 | 19 | 44 | 34.8 | 4.8 | 15.0 | M4 | 2.5 |
| LK5-C50 | 22 | 50 | 40.5 | 5.5 | 17.5 | M5 | 5 |
| LK5-C56 | 24 | 56 | 45.5 | 5.5 | 20.0 | M5 | 5 |
| LK5-C62 | 30 | 62 | 51.0 | 3.0 | 24.0 | M6 | 8 |
| LK5-C68 | 35 | 68 | 54.0 | 6.0 | 24.0 | M6 | 8 |
| LK5-C82 | 40 | 82 | 68.0 | 8.0 | 30.0 | M8 | 20 |
| LK5-C94 | 40 | 94 | 68.5 | 8.5 | 30.0 | M10 | 40 |
| LK5-C104 | 45 | 104 | 70 | 10.0 | 30.0 | M10 | 40 |
| Model | Rated Torque ( N.m ) | Max.Torque ( N.m ) | Max.Rotational Frequency ( rpm ) | Moment of Inertia ( Kg.m2 ) | Static Torsional Stiffness ( N.m / rad ) | Max. Angular Misalignment ( ° ) | Max. Angular Misalignment ( °) | Mass ( g ) |
| LK5-C12 | 0.25 | 0.5 | 10000 | 1.20×10-7 | 266 | 0.5 | ±0.04 | 5.1 |
| LK5-C15 | 0.6 | 1.2 | 10000 | 2.20×10-7 | 395 | 0.5 | ±0.05 | 6.0 |
| LK5-C16 | 0.6 | 1.2 | 10000 | 2.28×10-7 | 510 | 0.5 | ±0.05 | 7.1 |
| LK5-C19 | 1.0 | 2.0 | 10000 | 5.47×10-7 | 1400 | 1 | ±0.2 | 12.1 |
| LK5-C26 | 1.4 | 2.8 | 10000 | 2.29×10-6 | 3700 | 1 | ±0.2 | 27.1 |
| LK5-C30 | 2.6 | 5.2 | 10000 | 3.83×10-6 | 5700 | 1 | ±0.2 | 34.0 |
| LK5-C34s | 2.8 | 5.6 | 10000 | 7.64×10-6 | 8100 | 1 | ±0.2 | 52.9 |
| LK5-C34 | 2.8 | 5.6 | 10000 | 8.22×10-6 | 8100 | 1 | ±0.2 | 56.9 |
| LK5-C39 | 5.8 | 11.6 | 10000 | 1.53×10-5 | 18000 | 1 | ±0.3 | 80.4 |
| LK5-C44 | 8.7 | 17.4 | 10000 | 2.46×10-5 | 20000 | 1 | ±0.3 | 101.8 |
| LK5-C50 | 15 | 30 | 10000 | 4.80×10-5 | 32000 | 1 | ±0.5 | 153.7 |
| LK5-C56 | 25 | 50 | 10000 | 8.60×10-5 | 50000 | 1 | ±0.5 | 219.4 |
| LK5-C62 | 40 | 80 | 10000 | 1.48×10-4 | 60000 | 1 | ±0.5 | 297 |
| LK5-C68 | 55 | 110 | 10000 | 2.02×10-4 | 70000 | 1 | ±0.5 | 350.2 |
| LK5-C82 | 80 | 160 | 10000 | 5.65×10-4 | 90000 | 1 | ±0.6 | 672.8 |
| LK5-C94 | 185 | 370 | 10000 | 1.04×10-3 | 100000 | 1 | ±0.7 | 943.3 |
| LK5-C104 | 255 | 510 | 10000 | 1.61×10-3 | 120000 | 1 | ±0.8 | 1188.7 |
For more information, please click here.
COUP-LINK, Guangzhou LINK Automation Equipment Co.,Ltd.
Add.: 2606-2609 Room, B Building, Feng Xing Square, No.242 Tian He Road, Guangzhou City, Guangdong Province, China
Tel.: 0086-20-3839 5380
Fax.: 0086-20-3839 5480